© 2014-2026 ООО "ЮНИТРЕКС"
Все права защищены
Каталог товаров
Доставка по всей России со склада в Москве
Остались вопросы? Свяжитесь с нами:
Прибор серии DB4B-15 устройство формирования голосовых сигналов во взрывоопасной среде. 
Серия DB4B вышла на замену серии DB4, основное отличие от предшественника это расширенная полоса частот, высокое звуковое давление, возможность поставки с рупором в коротком и длинном исполнении, в независимости от мощности. А также расширилась возможность установки в местах где возможно присутствие в атмосфере паров взрывоопасного газа и частиц легковоспламеняющейся пыли.
Оптимально подобранные амплитудно-частотные характеристики громкоговорителя позволяют получить на выходе громкоговорителя наиболее качественный речевой сигнал.
Взрывозащищенные рупорные громкоговорители применяются в том числе для аварийного оповещения персонала и общего оповещения во
взрывоопасных зонах, наиболее широко применяются на объектах нефтяной, газовой, химической, металлургической, пищевой и других областях промышленности.
Допускается установка в местах, где возможно появление в атмосфере горючей взвеси газа и пыли, которая может воспламениться в случае аварийной работы прибора, без надлежащей защиты.
Маркировка взрывозащиты Ex d IIC T4/T5/T6 Gb; Ex d IIC T4/T5/T6 Gb, Ex tb IIIC T135ºC/T100ºC/T85ºC Db. Что обеспечивает возможность использовать громкоговоритель в среде с наличием как взрывоопасного газа, так и взрывоопасного газа и пыли.
Комплексная защита от внешних условий среды IP66/67.
Основные параметры:
●материал корпуса полиэстер армированный стекловолокном, устойчивый к воспламенению;
●цвет рупора в коротком исполнении чёрный, в остальном черный или красный, остальные цвета опция;
●высокая степень защиты от внешних воздействий;
●конструкция прибора обеспечивает возможность использования корпуса громкоговорителя в качестве взрывозащищенной распределительной коробки;
●возможность изменения мощности громкоговорителя;
●трансформатор 100 В.
Клеммная колодка допускает подключение кабеля сечением жил до 2,5 мм2, в случае исполнения Ex d, и до 4 мм2 в случае исполнения Ex de.
Имеется возможность применять различного рода кабельных вводов, в зависимости от типа подключаемого кабеля, исходя из таких размеров 1 x M20 Exd, 2 x M20 Exd/Exde, 2 x 1/2” NPT.
В зависимости от номенклатуры поставки ТХ различны.
| Маркировка взрывозащиты | Ex d IIC T4/T5/T6 Gb, Ex tb IIIC T135ºC/T100ºC/T85ºC Db |
| Материал корпуса | Полиэстер армированный стекловолокном |
| Степень защиты (IP) | IP66/67 |
| Звуковое давление | 113 дБ |
| Звуковое давление на максимальной мощности | 122 (125) дБ |
| Напряжение трансляционной линии | 100 В |
| Импеданс | 8 Ом |
| Макс. мощность | 15 Вт |
| Переключение мощности | 15/7,5/5/4/2/0,8 Вт |
| Диапазон частот | 350 — 8000 Гц |
| Диапазон рабочих температур, | –55 (50)ºC +65ºC |
| Вес | 5 (5,8) кг |
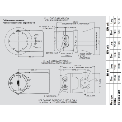
| Габаритные размеры | 280хØ200, 255хØ145. |
Дополнительно