Москва: +7 (495) 134-29-44
Санкт-Петербург: +7 (812) 213-07-12
Заказать звонок
МЕНЮКАТАЛОГ
OOO "ЮНИТРЕКС" - ПОСТАВЩИК ПРОМЫШЛЕННОГО ОБОРУДОВАНИЯ
0Корзина пуста

Каталог товаров

ИП 535 ГАРАНТ Спецприбор Взрывозащищённый ручной извещатель

ИП 535 ГАРАНТ Взрывозащищённый ручной извещатель
Взрывозащищённый ручной извещатель ИП 535 ГАРАНТ
Взрывозащищённый ручной извещатель ИП 535 ГАРАНТ
Взрывозащищённый ручной извещатель ИП 535 ГАРАНТ
Артикул: sp532
Производитель: Спецприбор
Розничная цена:По запросу

Доставка по всей России со склада в Москве

Остались вопросы? Свяжитесь с нами:

+7 (495) 134-29-44
info@sectorprom.ru

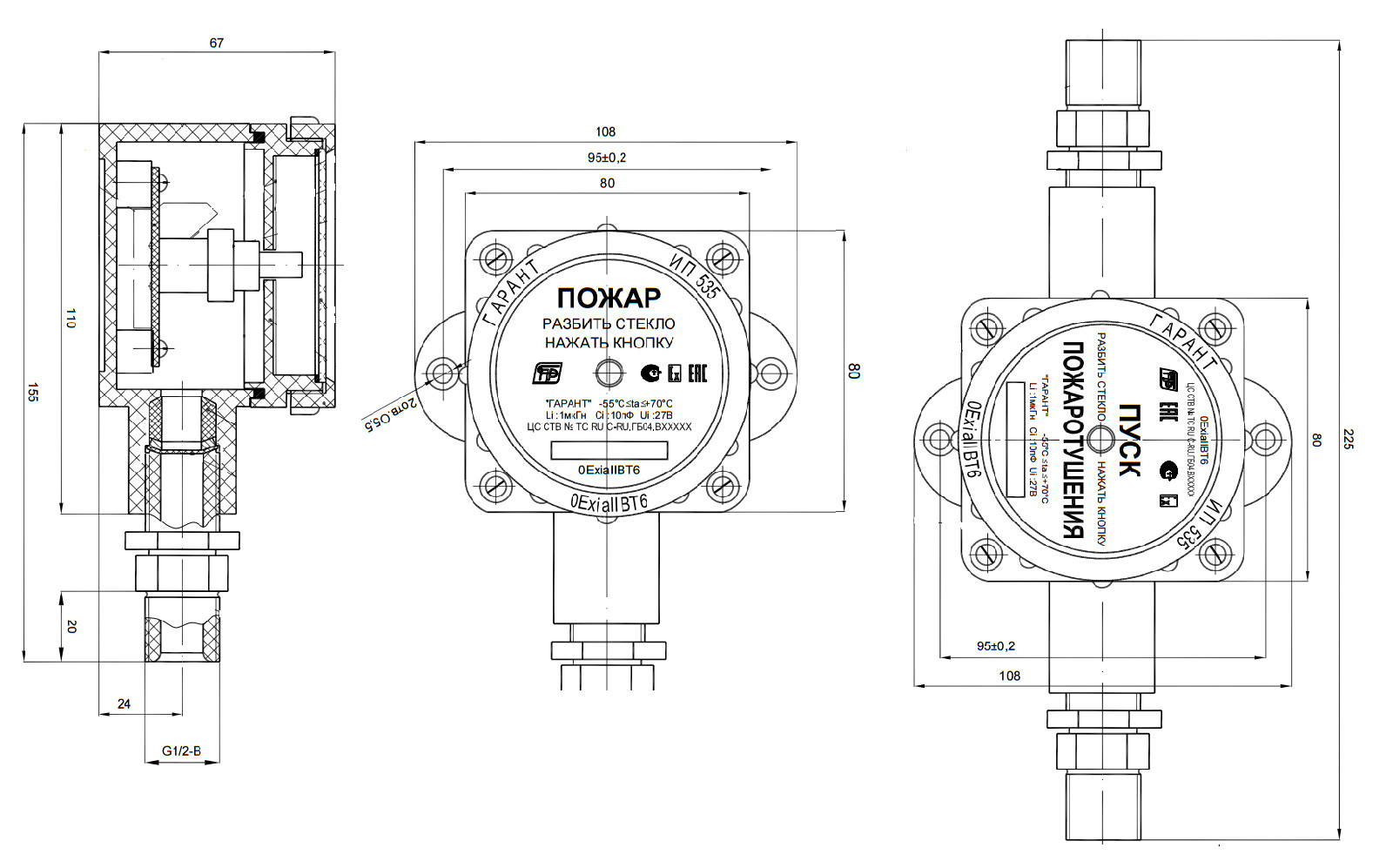
Взрывозащищённый ручной извещатель - ИП 535 ГАРАНТ применяется для ручного запуска средств автоматического пожаротушения и систем тревожного оповещения в пожарной сигнализации развернутой на взрывоопасном объекте.

Ручной извещатель соответствует маркировке взрывозащиты 0ExiaIIBT6, что позволяет эксплуатацию во взрывоопасных зонах категории 0 и ниже. Широкий диапазон рабочих температур, от -55  до +70°С, гарантирует надежную и устойчивую эксплуатацию во всех климатических зонах территории РФ, не исключая территории Крайнего Севера.

Принцип и особенности работы:

При запуске тревожного сообщения на контрольный прибор,разбив защитное стекло и нажав кнопку (сообщение продолжит отправляться и после снятия усилия с кнопки) загорается светодиод встроенный в шток кнопки, а после приеме тревожного сообщения контрольным прибором светодиод начинает моргать.

Взрывозащищённый ручной извещатель - ИП 535 ГАРАНТ поставляется со штуцерами под трубную разводку (G1/2-B), а также может комплектоваться штуцерами под бронекабель и металлорукав и запасным стеклом для востановления работоспасобности прибора после срабатывания. Выпускается двух видов одновводные и двухвводные, последние применяются для более удобного монтажа в транзитных цепях. Также предусмотрено исполнение корпуса с надписью ПУСК ПОЖАРОТУШЕНИЯ.

Маркировка взрывозащиты 0ExiaIIB T6,
Степень защиты оболочки IP67,
Класс химстойкости Х3,
Ток через извещатель при напряжении в шлейфе сигнализации 24 В в режиме ДЕЖУРНЫЙ, не более 0,01 мА,
Ток через извещатель при напряжении в шлейфе сигнализации 24 В в режиме ПОЖАР 20,5±0,6 мА,
Температура окружающей среды от -55 до +70 °С,
Масса, не более 0.3 кг.

Мы ценим вашу конфиденциальность

Мы используем файлы cookie, чтобы улучшить работу сайта, показывать персонализированную рекламу или контент и анализировать посещаемость. Продолжая использовать сайт, вы соглашаетесь на использование файлов cookie. Политика использования файлов cookie