Москва: +7 (495) 134-29-44
Санкт-Петербург: +7 (812) 213-07-12
Заказать звонок
МЕНЮКАТАЛОГ
OOO "ЮНИТРЕКС" - ПОСТАВЩИК ПРОМЫШЛЕННОГО ОБОРУДОВАНИЯ
0Корзина пуста

DB16-25 MEDC Взрывозащищённый громкоговоритель

DB16-25 Взрывозащищённый громкоговоритель
Взрывозащищённый громкоговоритель  DB16-25
Взрывозащищённый громкоговоритель  DB16-25
Взрывозащищённый громкоговоритель  DB16-25
Артикул: sp311
Производитель: MEDC
Розничная цена:По запросу

Доставка по всей России со склада в Москве

Остались вопросы? Свяжитесь с нами:

+7 (495) 134-29-44
info@sectorprom.ru

Прибор серии  DB16-25 устройство формирования голосовых сигналов во взрывоопасной среде. 

Линейка рупорных громкоговорителей большей мощности с широким рупором представлена серией DB16.

Широкий удлинённый рупор, оптимально подобранная полоса частот и звуковое давление позволяют получить на выходе громкоговорителя качественный речевой сигнал.

Взрывозащищенные рупорные громкоговорители применяются в том числе для аварийного оповещения персонала и общего оповещения во
взрывоопасных зонах, наиболее широко применяются на объектах нефтяной, газовой, химической, металлургической, пищевой и других областях промышленности. Используются для передачи речевых сигналов 

Допускается установка в местах, где возможно появление в атмосфере горючей взвеси газа и водорода, которая может воспламениться в случае аварийной работы прибора, без надлежащей защиты.

Маркировка взрывозащиты  1Ex de IIB T3 Gb 1Ex de IIC T3 Gb, Ex tb IIIC T110ºC Db. Допускается возможность установки громкоговорителя в первой зоне с группой безопасности IIB и IIC.

В зависимости от группы безопасности незначительно изменяются параметры речевого сигнала на выходе громкоговорителя.

Комплексная защита от внешних условий среды  IP66/67.

 

Подробное описание

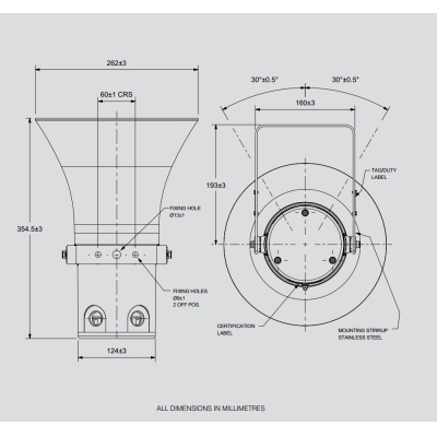
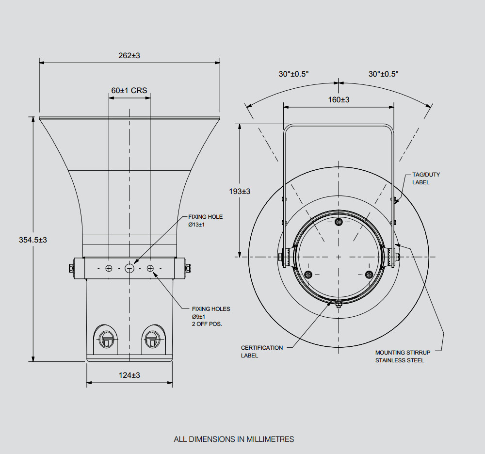
Основные параметры громкоговорителя:

Материал корпуса антистатический полиэстер армированный стекловолокном

Цвет корпуса в базовой конфигурации естественно черного цвета, но в зависимости от технического задания заказчика опционально допускается окрашивание в требуемый цвет.

Конструкция корпуса устройства позволяет обеспечивать защиту от внешних условий среды будь то  влага или пыль.

В громкоговорителе обеспечена функция выбора мощности путем переключения на трансформаторе.

Наличие согласующего трансформатора позволяет производить подключение громкоговорителя к трансляционной линии 100 В, что обеспечивает унификацию системы оповещения.

Клеммная колодка допускает подключение кабеля сечением жил до 2,5 мм2. Имеется возможность использовать клеммный терминал внутри корпуса устройства в качестве взрывозащищённой клемной коробки.

Имеется возможность применять различного рода кабельных вводов, в зависимости от типа подключаемого кабеля, исходя из таких размеров  2 x M20, 2 x M25 ISO, 2 x 1/2” NPT or 2 x 3/4” NPT.


Маркировка взрывозащиты 1Ex de IIB T3 Gb, 1Ex de IIC T3 Gb, Ex tb IIIC T110ºC Db
Материал корпуса Пластик
Степень защиты (IP) IP66/67
Звуковое давление 110 (IIB), 107 (IIC) дБ
Звуковое давление на максимальной мощности 121 (IIB), 118 (IIC) дБ
Напряжение трансляционной линии 100 В
Импеданс 8 Ом
Макс. мощность 25 Вт
Переключение мощности 25/12,5/6/4/2/1 Вт
Диапазон частот 370 — 8000 Гц
Диапазон рабочих температур, -50ºC - + 65ºC
Вес 5,5 кг
Габаритные размеры 354хØ262

Дополнительно

Взрывозащищённый громкоговоритель
Прибор серии DB16-30 устройство формирования голосовых сигналов во взрывоопасной среде. 30 Вт. 100 В. Маркировка взрывозащиты 1Ex de IIB T3 Gb 1Ex de IIC T3 Gb, Ex tb IIIC T110ºC Db. IP66/67. -50ºC - + 40ºC.
По запросу
-+
В корзину

Мы ценим вашу конфиденциальность

Мы используем файлы cookie, чтобы улучшить работу сайта, показывать персонализированную рекламу или контент и анализировать посещаемость. Продолжая использовать сайт, вы соглашаетесь на использование файлов cookie. Политика использования файлов cookie