© 2014-2026 ООО "ЮНИТРЕКС"
Все права защищены
Каталог товаров
Доставка по всей России со склада в Москве
Остались вопросы? Свяжитесь с нами:
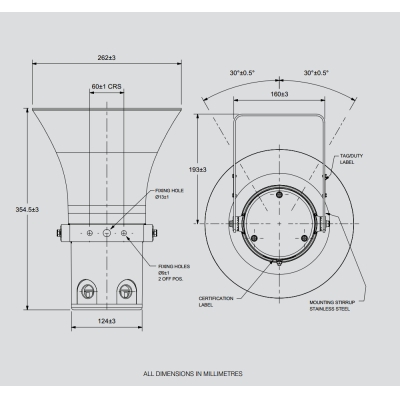
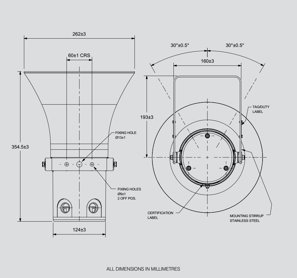
Прибор серии DB16-30 устройство формирования голосовых сигналов во взрывоопасной среде.
Линейка рупорных громкоговорителей большей мощности с широким рупором представлена серией DB16.
Широкий удлинённый рупор, оптимально подобранная полоса частот и звуковое давление позволяют получить на выходе громкоговорителя качественный речевой сигнал.
Взрывозащищенные рупорные громкоговорители применяются в том числе для аварийного оповещения персонала и общего оповещения во
взрывоопасных зонах, наиболее широко применяются на объектах нефтяной, газовой, химической, металлургической, пищевой и других областях промышленности. Используются для передачи речевых сигналов
Допускается установка в местах, где возможно появление в атмосфере горючей взвеси газа и водорода, которая может воспламениться в случае аварийной работы прибора, без надлежащей защиты.
Маркировка взрывозащиты 1Ex de IIB T3 Gb 1Ex de IIC T3 Gb, Ex tb IIIC T110ºC Db. Допускается возможность установки громкоговорителя в первой зоне с группой безопасности IIB и IIC.
В зависимости от группы безопасности незначительно изменяются параметры речевого сигнала на выходе громкоговорителя.
Комплексная защита от внешних условий среды IP66/67.

Основные параметры громкоговорителя:
Материал корпуса антистатический полиэстер армированный стекловолокном
Цвет корпуса в базовой конфигурации естественно черного цвета, но в зависимости от технического задания заказчика опционально допускается окрашивание в требуемый цвет.
Конструкция корпуса устройства позволяет обеспечивать защиту от внешних условий среды будь то влага или пыль.
В громкоговорителе обеспечена функция выбора мощности путем переключения на трансформаторе.
Наличие согласующего трансформатора позволяет производить подключение громкоговорителя к трансляционной линии 100 В, что обеспечивает унификацию системы оповещения.
Клеммная колодка допускает подключение кабеля сечением жил до 2,5 мм2. Имеется возможность использовать клеммный терминал внутри корпуса устройства в качестве взрывозащищённой клемной коробки.
Имеется возможность применять различного рода кабельных вводов, в зависимости от типа подключаемого кабеля, исходя из таких размеров 2 x M20, 2 x M25 ISO, 2 x 1/2” NPT or 2 x 3/4” NPT.
| Маркировка взрывозащиты | 1Ex de IIB T3 Gb 1Ex de IIC T3 Gb, Ex tb IIIC T110ºC Db |
| Материал корпуса | Пластик |
| Степень защиты (IP) | IP66/67 |
| Звуковое давление | 110 (IIB), 122 (IIC) дБ |
| Звуковое давление на максимальной мощности | 117 (IIB), 119 (IIC) дБ |
| Напряжение трансляционной линии | 100 В |
| Импеданс | 8 Ом |
| Макс. мощность | 30 Вт |
| Переключение мощности | 30/25/12/6/4/2 Вт |
| Диапазон частот | 370 — 8000 Гц |
| Диапазон рабочих температур, | -50ºC + 40ºC |
| Вес | 5,5 кг |
| Габаритные размеры | 354хØ262 |
Дополнительно