Москва: +7 (495) 134-29-44
Санкт-Петербург: +7 (812) 213-07-12
Заказать звонок
МЕНЮКАТАЛОГ
OOO "ЮНИТРЕКС" - ПОСТАВЩИК ПРОМЫШЛЕННОГО ОБОРУДОВАНИЯ
0Корзина пуста

Каталог товаров

AC11.10-036-m65 Tema Аналоговое шумозащищенное переговорное устройство

AC11.10-036-m65 Аналоговое шумозащищенное переговорное устройство
Аналоговое шумозащищенное переговорное устройство AC11.10-036-m65
Аналоговое шумозащищенное переговорное устройство AC11.10-036-m65
Аналоговое шумозащищенное переговорное устройство AC11.10-036-m65
Артикул: sp4997
Производитель: Tema
Розничная цена:По запросу

Доставка по всей России со склада в Москве

Остались вопросы? Свяжитесь с нами:

+7 (495) 134-29-44
info@sectorprom.ru

Tema AC11.10-036-m65 — это аналоговое переговорное устройство которое применяется в промышленных децентрализованных телекоммуникационных системах многосторонней громкоговорящей связи. Прибор подходит для объектов разных отраслей промышленности: производственная, нефтегазовая, химическая, пищевая, добывающая и т.д., а также находит применение в транспортной и энергетической инфраструктурах.

Встроенный усилителем мощностью 20 Вт. В комплекте поставляются следующие внешние устройства: тангентный микрофон ВМ-2, обладающий отличной защитой от внешнего шума; громкоговоритель мощностью 20 Вт и рабочим напряжением 100В; лампа-вспышка для светового оповещения о входящем речевом сообщении. Поддерживается 2 режима работы - симплексный и полудуплексный. Кнопка активации находится на микрофоне, ее нажатие позволяет вести речевую трансляцию или же запускает генератор сигнала ГОНГ для привлечения внимания. Режим работы, функционал кнопки, а также регулировка громкости динамика громкоговорителя и чувствительности микрофона производится с помощью перемычек размещенных на плате устройства.

Интерфейс типа «L», двухпроводная межприборная линия связи промышленных децентрализованных громкоговорящих систем. Допускается параллельное подключение до 32-х приборов на одну линию. Два герметичных кабельных ввода (линия и питание), для подключения в линию необходимо использовать многожильные провода объединенные в круглый кабель, рекомендуется витая пара. Громкоговоритель подключается спикерным кабелем, сечение 0.2-1.5 мм2.

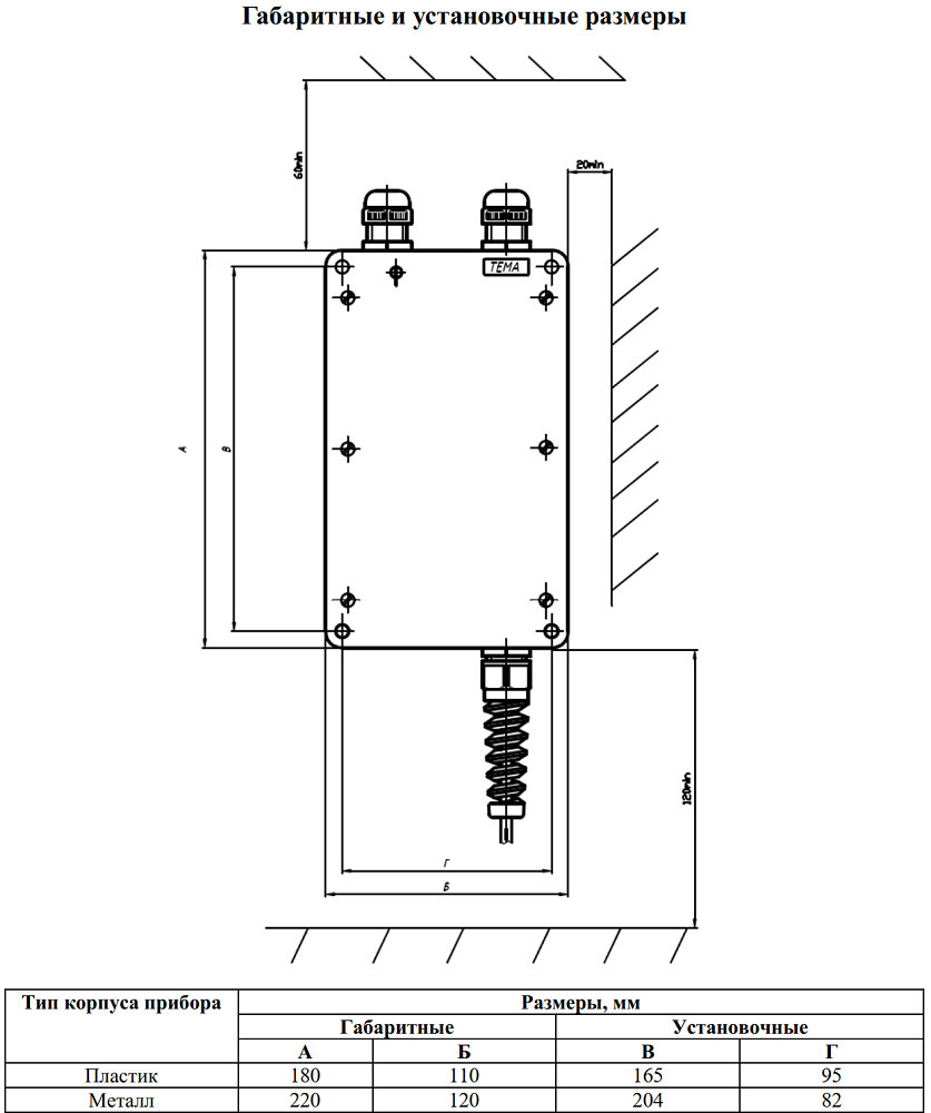
Корпус переговорного устройства AC11.10-036-m65 изготовлен из металла, степень защиты IP65 (пыль и струи воды), климатическое исполнение В5 по ГОСТ 15150-69, температурный режим от -40°C до +45°C. Габаритные размеры 320х120х90 мм, вес 2.5 кг. Монтаж настенный, в помещениях или на улице. Питание данной модификации прибора осуществляется от промышленной электросети переменного тока с параметрами AC 36В/50 Гц, в комплекте кабель питания длиной 1.7 метра без вилки. Расчетный срок службы 10 лет.

Подробное описание

Пример использования переговорного устройства AC11.20 в сети ГГС


Тип изделия Промышленное аналоговое шумозащищенное переговорное устройство
Применение Децентрализованные системы межприборной громкоговорящей связи на базе двухпроводного интерфейса «L»
Микрофон Внешний, тангентный
Громкоговоритель Внешний, мощность 20 Вт, рабочее напряжение 100В
Интерфейс Двухпроводная межприборная линия связи «L»
Настройки Регулировка чувствительности микрофона и громкости динамика; настройка режима работы и функции кнопки микрофона (речь или сигнал ГОНГ)
Особые функции Микрофон с шумоподавлением, внешняя лампа‑вспышка
Напряжение питания АC 36В/50 Гц, промышленная электросеть
Материал корпуса Металл
Габаритные размеры 320х120х90 мм
Вес 2.5 кг
Степень защиты от влаги и пыли IP65 (пыль и струи воды)
Климатическое исполнение В5 по ГОСТ 15150-69
Диапазон рабочих температур –40...+45°С
Монтаж На стену или иную вертикальную поверхность, помещение или улица
Цвет Стальной

Дополнительно

Аналоговое шумозащищенное переговорное устройство
Промышленное переговорное устройство для аналоговых систем громкоговорящей связи. Подключение по двухпроводному межприборному интерфейсу «L». Встроенныq усилитель мощностью 20 Вт. Внешние приборы в составе: шумозащищенный микрофон-тангента ВМ-2, с регулировкой чувствительности и кнопкой активации (речь или сигнал ГОНГ); громкоговоритель на 20 Вт с настраиваемой громкостью; лампа-вспышка. 2 герметичных кабельных ввода. Корпус металлический, габариты 320х120х90 мм, вес 2.5 кг. Климатическое исполнение В5, степень защиты IP65, рабочие температуры -40...+45°С. Питание DC 20-60В.
По запросу
-+
В корзину
Аналоговое шумозащищенное переговорное устройство
Промышленное переговорное устройство для аналоговых систем громкоговорящей связи. Подключение по двухпроводному межприборному интерфейсу «L». Встроенныq усилитель мощностью 20 Вт. Внешние приборы в составе: шумозащищенный микрофон-тангента ВМ-2, с регулировкой чувствительности и кнопкой активации (речь или сигнал ГОНГ); громкоговоритель на 20 Вт с настраиваемой громкостью; лампа-вспышка. 2 герметичных кабельных ввода. Корпус металлический, габариты 320х120х90 мм, вес 2.5 кг. Климатическое исполнение В5, степень защиты IP65, рабочие температуры -40...+45°С. Питание AC 36В/50 Гц, в комплекте кабель без вилки длиной 1.7 м.
По запросу
-+
В корзину
Аналоговое шумозащищенное переговорное устройство
Промышленное переговорное устройство для аналоговых систем громкоговорящей связи. Подключение по двухпроводному межприборному интерфейсу «L». Встроенные: усилитель мощностью 20 Вт и шумозащищенный микрофон с регулировкой чувствительности. Внешний громкоговоритель на 20 Вт, громкость настраивается; внешняя лампа-вспышка. Кнопка активации - для трансляции речи или запуска сигнал ГОНГ. 2 герметичных кабельных ввода. Корпус пластиковый, габариты 295х110х100 мм, вес 1.5 кг. Климатическое исполнение В5, степень защиты IP65, рабочие температуры -40...+45°С. Питание AC 127В/50 Гц, в комплекте кабель без вилки длиной 1.7 м.
По запросу
-+
В корзину
Аналоговое шумозащищенное переговорное устройство
Промышленное переговорное устройство для аналоговых систем громкоговорящей связи. Подключение по двухпроводному межприборному интерфейсу «L». Встроенные: усилитель мощностью 20 Вт и шумозащищенный микрофон с регулировкой чувствительности. Внешний громкоговоритель на 20 Вт, громкость настраивается; внешняя лампа-вспышка. Кнопка активации - для трансляции речи или запуска сигнал ГОНГ. 2 герметичных кабельных ввода. Корпус металлический, габариты 320х120х90 мм, вес 2.5 кг. Климатическое исполнение В5, степень защиты IP65, рабочие температуры -40...+45°С. Питание AC 220В/50 Гц, в комплекте кабель с вилкой длиной 1.7 м.
По запросу
-+
В корзину
Аналоговое шумозащищенное переговорное устройство
Промышленное переговорное устройство для аналоговых систем громкоговорящей связи. Подключение по двухпроводному межприборному интерфейсу «L». Встроенные: усилитель мощностью 20 Вт и шумозащищенный микрофон с регулировкой чувствительности. Внешний громкоговоритель на 20 Вт, громкость настраивается; внешняя лампа-вспышка. Кнопка активации - для трансляции речи или запуска сигнал ГОНГ. 2 герметичных кабельных ввода. Корпус пластиковый, габариты 295х110х100 мм, вес 1.5 кг. Климатическое исполнение В5, степень защиты IP65, рабочие температуры -40...+45°С. Питание DC 20-60В.
По запросу
-+
В корзину
Аналоговое шумозащищенное переговорное устройство
Промышленное переговорное устройство для аналоговых систем громкоговорящей связи. Подключение по двухпроводному межприборному интерфейсу «L». Встроенные: усилитель мощностью 20 Вт и шумозащищенный микрофон с регулировкой чувствительности. Внешний громкоговоритель на 20 Вт, громкость настраивается; внешняя лампа-вспышка. Кнопка активации - для трансляции речи или запуска сигнал ГОНГ. 2 герметичных кабельных ввода. Корпус металлический, габариты 320х120х90 мм, вес 2.5 кг. Климатическое исполнение В5, степень защиты IP65, рабочие температуры -40...+45°С. Питание AC 36В/50 Гц, в комплекте кабель без вилки длиной 1.7 м.
По запросу
-+
В корзину
Аналоговое шумозащищенное переговорное устройство
Промышленное переговорное устройство для аналоговых систем громкоговорящей связи. Подключение по двухпроводному межприборному интерфейсу «L». Встроенные: усилитель мощностью 20 Вт и шумозащищенный микрофон с регулировкой чувствительности. Внешний громкоговоритель на 20 Вт, громкость настраивается; внешняя лампа-вспышка. Кнопка активации - для трансляции речи или запуска сигнал ГОНГ. 2 герметичных кабельных ввода. Корпус металлический, габариты 320х120х90 мм, вес 2.5 кг. Климатическое исполнение В5, степень защиты IP65, рабочие температуры -40...+45°С. Питание DC 20-60В.
По запросу
-+
В корзину
Промышленный всепогодный аналоговый телефон
Промышленный телефонный аппарат для аналоговых сетей. Полноценный номеронабиратель на 15 кнопок с подсветкой, назначение клавиш для быстрого набора. Громкость звонка >80 дБ, активное шумоподавление при разговоре, частотный диапазон микрофона 250 – 3000 Гц. Всепогодное исполнение. Корпус из литого алюминиевого сплава с ребрами жесткости, защитная дверца; клавиатура из нержавеющей стали. Подключение в телефонную линию и питание (24-65В DC) кабелем с разъемом RJ11 (в комплекте). Габаритные размеры 330*241*122 мм, вес 6 кг, желтый цвет, монтаж настенный. IP66, IK10 (20 Дж), РН-1, рабочие температуры от -40 до +70°С; MTBF > 10 000 часов. Эксплуатация в суровых условиях с воздействием агрессивных сред и ударных нагрузок. Соответствует стандартам CE, FCC, RoHS, ISO9001.
По запросу
-+
В корзину
Промышленная звуковая колонка
Аналоговый громкоговоритель для звукового/речевого оповещения промышленных помещений без производственных шумов. Для трансляционных линий с напряжением 30/100/120 В, мощность 20 Вт. Два динамика, частотный диапазон 200 - 10000 Гц, неравномерность АЧХ в пределах 8 дБ. Корпус из прочного пластика, габариты 210х110х95 мм, вес 1.2 кг. Климатическое исполнение У3.1, степень защиты от влаги и пыли IP65, рабочие температуры от -10 до +40°C. Настенный монтаж в любых помещениях.
По запросу
-+
В корзину
Промышленная звуковая колонка с аттенюатором
Аналоговый громкоговоритель для звукового/речевого оповещения промышленных помещений без производственных шумов. Для трансляционных линий с напряжением 30/100/120 В, мощность 10 Вт. Два динамика, частотный диапазон 200 - 10000 Гц. Плавный регулятор громкости. Корпус из прочного пластика, габариты 210х110х95 мм, вес 1.2 кг. Климатическое исполнение В5, степень защиты от влаги и пыли IP54, рабочие температуры от -40 до +45°C. Настенный монтаж в помещениях или на улице под козырьком.
По запросу
-+
В корзину
Всепогодный рупорный громкоговоритель
Аналоговый рупорный громкоговоритель для звукового/речевого оповещения промышленных объектов и территорий. Для трансляционных линий с напряжением 30/100/120 В, мощность 20 Вт. Частотный диапазон 380 - 6500 Гц, чувствительность = 106 дБ. Эффективно преодолевает производственный шум. Всепогодный металлический корпус, габариты Ø250x280 мм, вес 2.5 кг. Степень защиты от влаги и пыли IP65, рабочие температуры от -20 до +40°C. Монтаж в любых помещениях или на улице.
По запросу
-+
В корзину
Всепогодный рупорный громкоговоритель
Аналоговый рупорный громкоговоритель для звукового/речевого оповещения промышленных объектов и территорий. Для трансляционных линий с напряжением 30/100/120 В, мощность 10 Вт. Частотный диапазон 450 - 6500 Гц, чувствительность = 106 дБ. Эффективно преодолевает производственный шум. Всепогодный металлический корпус, габариты Ø155x210 мм, вес 1.2 кг. Климатическое исполнение У1, степень защиты от влаги и пыли IP65, рабочие температуры от -45 до +40°C. Монтаж в любых помещениях или на улице.
По запросу
-+
В корзину
Всепогодный рупорный громкоговоритель
Аналоговый рупорный громкоговоритель для звукового/речевого оповещения промышленных объектов и территорий. Для трансляционных линий с напряжением 30/100/120 В, мощность 20 Вт. Частотный диапазон 350 - 7000 Гц, чувствительность = 105 дБ. Эффективно преодолевает производственный шум. Всепогодный корпус из прочного пластика, габариты 165х220х240 мм, вес 1.5 кг. Климатическое исполнение У1, степень защиты от влаги и пыли IP65, рабочие температуры от -45 до +40°C. Монтаж в любых помещениях или на улице.
По запросу
-+
В корзину
Аналоговое шумозащищенное переговорное устройство
Промышленное переговорное устройство для аналоговых систем громкоговорящей связи. Подключение по двухпроводному межприборному интерфейсу «L». Встроенные: усилитель мощностью 20 Вт и шумозащищенный микрофон с регулировкой чувствительности. Внешний громкоговоритель на 20 Вт, громкость настраивается; внешняя лампа-вспышка. Кнопка активации - для трансляции речи или запуска сигнал ГОНГ. 2 герметичных кабельных ввода. Корпус пластиковый, габариты 295х110х100 мм, вес 1.5 кг. Климатическое исполнение В5, степень защиты IP65, рабочие температуры -40...+45°С. Питание AC 220В/50 Гц, в комплекте кабель с вилкой длиной 1.7 м.
По запросу
-+
В корзину
Аналоговое шумозащищенное переговорное устройство
Промышленное переговорное устройство для аналоговых систем громкоговорящей связи. Подключение по двухпроводному межприборному интерфейсу «L». Встроенные: усилитель мощностью 20 Вт и шумозащищенный микрофон с регулировкой чувствительности. Внешний громкоговоритель на 20 Вт, громкость настраивается; внешняя лампа-вспышка. Кнопка активации - для трансляции речи или запуска сигнал ГОНГ. 2 герметичных кабельных ввода. Корпус пластиковый, габариты 295х110х100 мм, вес 1.5 кг. Климатическое исполнение В5, степень защиты IP65, рабочие температуры -40...+45°С. Питание AC 36В/50 Гц, в комплекте кабель без вилки длиной 1.7 м.
По запросу
-+
В корзину
Аналоговое шумозащищенное переговорное устройство
Промышленное переговорное устройство для аналоговых систем громкоговорящей связи. Подключение по двухпроводному межприборному интерфейсу «L». Встроенные: усилитель мощностью 20 Вт и шумозащищенный микрофон с регулировкой чувствительности. Внешний громкоговоритель на 20 Вт, громкость настраивается; внешняя лампа-вспышка. Кнопка активации - для трансляции речи или запуска сигнал ГОНГ. 2 герметичных кабельных ввода. Корпус металлический, габариты 320х120х90 мм, вес 2.5 кг. Климатическое исполнение В5, степень защиты IP65, рабочие температуры -40...+45°С. Питание AC 127В/50 Гц, в комплекте кабель без вилки длиной 1.7 м.
По запросу
-+
В корзину

Мы ценим вашу конфиденциальность

Мы используем файлы cookie, чтобы улучшить работу сайта, показывать персонализированную рекламу или контент и анализировать посещаемость. Продолжая использовать сайт, вы соглашаетесь на использование файлов cookie. Политика использования файлов cookie